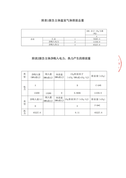
山東德源環(huán)氧科技有限公司溫室氣體排放報告





此文關(guān)鍵字:環(huán)氧樹脂 雙酚A型環(huán)氧樹脂 酚醛環(huán)氧樹脂
相關(guān)資訊
同類文章排行
- 山東德源環(huán)氧科技有限公司地下水檢測報告
- 山東德源環(huán)氧科技有限公司2023年度社會責任報告
- 2024年度危險廢物污染環(huán)境防治信息公開
- 2024年度 山東德源 土壤檢測報告
- 山東德源環(huán)氧科技有限公司地下水監(jiān)測報告
- 山東德源環(huán)氧科技有限公司 地下水監(jiān)測報告與土壤監(jiān)測報告
- 山東德源環(huán)氧科技有限公司溫室氣體排放報告
- 2022年度社會責任報告
- 山東德源環(huán)氧科技有限公司成功入選國家專精特新“小巨人”企業(yè)名單
- 山東德源環(huán)氧科技有限公司2季度地下水檢測報告
最新資訊文章
- 山東德源環(huán)氧科技有限公司地下水檢測報告
- 山東德源環(huán)氧科技有限公司2023年度社會責任報告
- 2024年度危險廢物污染環(huán)境防治信息公開
- 2024年度 山東德源 土壤檢測報告
- 山東德源環(huán)氧科技有限公司地下水監(jiān)測報告
- 山東德源環(huán)氧科技有限公司 地下水監(jiān)測報告與土壤監(jiān)測報告
- 山東德源環(huán)氧科技有限公司溫室氣體排放報告
- 2022年度社會責任報告
- 山東德源環(huán)氧科技有限公司成功入選國家專精特新“小巨人”企業(yè)名單
- 山東德源環(huán)氧科技有限公司2季度地下水檢測報告
您的瀏覽歷史














魯公網(wǎng)安備 37098302000023號